MT/T 1144-2011 采場鉆孔水文遠程監測設備
- 發表時間:2022-10-07
- 來源:共立消防
- 人氣:
1 范圍
本標準規定了采場鉆孔水文遠程監測設備(以下簡稱水文遙測儀)的術語和定義、組成與分類、主要功能、要求、試驗方法、檢驗規則、標志、包裝、運輸及貯存。
本標準適用于在煤礦礦區和煤礦井下使用的鉆孔水位、水壓監測設備。
2 規范性引用文件
下列文件中的條款通過本標準的引用而成為本標準的條款。凡是注日期的引用文件,其隨后所有的修改單(不包括勘誤的內容)或修訂版均不適用于本標準,然而,鼓勵根據本標準達成協議的各方研究是否可使用這些文件的最新版本。凡是不注日期的引用文件,其最新版本適用于本標準。
GB/T 191-2008 包裝儲運圖示標志(ISO 780:1997,MOD)
GB/T 2829-2002 周期檢驗計數抽樣程序及表(適用于對過程穩定性的檢驗)
GB 3836.1-2000 爆炸性氣體環境用電氣設備 第1部分:通用要求(eqv IEC 60079-0:1998)
GB 3836.4-2000 爆炸性氣體環境用電氣設備 第4部分: 本質安全型“i”(eqv IEC 60079-11: 1999)
GB 4208-2008 外殼防護等級(IP代碼)(IEC 60529:2001,IDT)
GB/T 10111-2008 隨機數的產生及其在產品質量抽樣檢驗中的應用程序
GB/T 13384-2008 機電產品包裝通用技術條件
MT 209-1990 煤礦通信、檢測、控制用電工電子產品 通用技術條件
MT 210-1990 煤礦通信、檢測、控制用電工電子產品 基本試驗方法
MT/T 772-1998 煤礦監控系統主要性能測試方法
AQ 1043-2007 礦用產品安全標志標識
3 術語和定義
下列術語和定義適用于本標準。
3.1
水文要素 hydrology feature
用來描述煤礦開采關注的地下水水文現象的主要物理量。
注:通常指水位、水壓、水溫、流速、流量等參數。
3.2
水文監測 hydrology monitor
對煤礦采場水文要素的監視與檢測。
3.3
水文遙測儀 hydrology parameter telemeter
對礦井上或礦井下被測水文參數做數據采集,數據遠距離傳輸,對數據做記錄、匯總、對比、預警和生成報表的系統設備。
3.4
傳感器 sensor
能定量感受特定的被測水文參數的物理量,并按照一定規律轉換成可用于傳輸的電信號的集成器件或裝置。
3.5
變送器 transducer
將水文參數的物理量傳感器的非標準電信號轉換為標準電信號的儀表。
注:規定的工業標準信號一般為4 mA~20 mA或1 V~5 V。
3.6
遙測子站 telemetering station
安裝在鉆孔口,能夠按控制采集水文參數,并存儲和遠距離傳送的裝置。
3.7
遙測分站 telemetering branch
能夠連接多個遙測分站,與監測主站進行數據遠程交換的裝置。
3.8
監測中心站 monitoring centre station
具有對各遙測子站或分站發送測控指令和接收上傳數據,對數據做處理、存儲、管理、查詢、對比,以圖表、曲線等形式顯示,并對數據做必要統計、分析、預警的水文監測中心主機及附件。
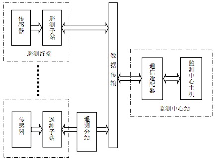
4 組成、分類和主要功能
4.1 組成
水文遙測儀由傳感器、遙測子站、遙測分站、監測中心站、數據傳輸等設備組成。其基本原理結構如圖1所示。最小系統設計應包括一個監測中心站和一個遙測站。

圖1 有線遙測總線結構、主從工作方式圖
4.2 分類
4.2.1 按使用環境分為:
a) 礦用防爆型:符合礦用本質安全型技術條件要求,可在煤礦井下環境使用的;
b) 地面普通型:適用于地面遠程監測使用的;
c) 復合型:能夠把礦用防爆型和地面普通型集中控制的。
4.2.2 按通訊方式分為:
a) 有線:采用電纜、光纖等實物介質連接,實現被檢測鉆孔到監測中心站遠程數據傳送;
b) 自動記錄:對測量水文物理參數進行自動定時記錄,由人定時或不定時收集;
c) 無線:采用無線電等無實物介質連接,實現被檢測鉆孔到監測中心站遠程數據傳送。
4.2.3 按連接分站的拓撲結構分為:
a) 單級結構:從遠程遙測站到監測中心站直接實現數據傳輸;
b) 多級結構:從遠程遙測站到監測中心站之間通過一級或多級分站連接實現數據傳輸。
4.3 主要功能
產品設計時應實現以下主要功能,并在產品說明書中列出:
a) 分站采樣率大于10 Hz;
b) 水文遙測儀通信距離不小于5 km;
c) 水文遙測儀配置遙測分站和遙測子站的最少個數大于4個;
d) 各子站具有存儲30 k樣點以上的容量。中心站具有存儲60 G的存儲能力;
e) 水文遙測儀地面設備配有防雷保護裝置,通訊系統與礦井下設備電器隔離。
5 要求
5.1 技術性能
5.1.1 傳輸速率
水文遙測儀傳輸速率一般應不小于2400 bps。
5.1.2 傳輸誤碼率
水文遙測儀傳輸誤碼率應不大于10-6。系統應采用可靠的容錯技術,該技術性能要求在采用容錯技術以后滿足。
5.1.3 巡檢周期
水文遙測儀應能通過監測中心實現對各遙測站構成進行遠程采集。可以是逐個依次的巡檢、也可以設定多點跟蹤檢測。巡檢時間間隔可以采用多檔設置,其最短時間間隔應滿足:
a) 有線式水文遙測儀的巡檢周期最短時間間隔應不大于30 s;
b) 無線式水文遙測儀的巡檢周期最短時間間隔應不大于3 min。
5.1.4 測量誤差
穩定水位、水壓、水溫參數的重復測量誤差應小于滿量程0.5%。
5.2 本安參數
水文遙測儀用于煤礦井下爆炸性環境的各設備部分的輸入輸出信號應是本質安全的,本安參數的最高開路電壓和最大短路電流應由國家授權的電氣防爆檢驗機構通過本安性能檢驗給定。
5.3 電源波動適應能力
采用電網供電的各設備部分的電壓在標準電壓值±20%的范圍內變化時,水文遙測儀應符合5.1的規定。
5.4 外觀
應符合MT 209-1990中第6章的規定。
5.5 結構
5.5.1 緊固件應有防止松動的措施。
5.5.2 金屬零部件應進行防銹、防蝕處理。
5.5.3 井下設備部分的外殼應符合GB 3836.1-2000和GB 3836.4-2000的規定。采用絕緣材料外殼的表面絕緣電阻應小于109 Ω。
5.5.4 井下設備部分的機械結構應具有密封措施,地面室外設備部分應具有有效的防雨、防塵、防盜、防鹽霧、防曬、防低溫措施。
5.5.5 零部件、元器件及其它結構要求應符合MT209-1990中第7、8、9章的規定。
5.6 外殼防護
水文遙測儀用于井下的本安型設備的外殼防護能力應不低于IP54,用于井上的地面普通兼本安型設備的外殼防護能力一般應不低于IP43。
以上為標準部分內容,如需看標準全文,請到相關授權網站購買標準正版。
-
IG541混合氣體滅火系統
IG541混合氣體滅火系統:IG-541滅火系統采用的IG-541混合氣體滅火劑是由大氣層中的氮氣(N2)、氬氣(Ar)和二氧化碳(CO2)三種氣體分別以52%、40%、8%的比例混合而成的一種滅火劑 -
二氧化碳氣體滅火系統
二氧化碳氣體滅火系統:二氧化碳氣體滅火系統由瓶架、滅火劑瓶組、泄漏檢測裝置、容器閥、金屬軟管、單向閥(滅火劑管)、集流管、安全泄漏裝置、選擇閥、信號反饋裝置、滅火劑輸送管、噴嘴、驅動氣體瓶組、電磁驅動 -
七氟丙烷滅火系統
七氟丙烷(HFC—227ea)滅火系統是一種高效能的滅火設備,其滅火劑HFC—ea是一種無色、無味、低毒性、絕緣性好、無二次污染的氣體,對大氣臭氧層的耗損潛能值(ODP)為零,是鹵代烷1211、130 -
手提式干粉滅火器
手提式干粉滅火器適滅火時,可手提或肩扛滅火器快速奔赴火場,在距燃燒處5米左右,放下滅火器。如在室外,應選擇在上風方向噴射。使用的干粉滅火器若是外掛式儲壓式的,操作者應一手緊握噴槍、另一手提起儲氣瓶上的


