GB/T 10284-2016 林業機械 便攜式風力滅火機 噪聲的測定
- 發表時間:2022-11-13
- 來源:共立消防
- 人氣:
1 范圍
本標準規定了以汽油機為動力的便攜式風力滅火機(以下簡稱滅火機)A計權聲功率級和耳旁噪聲的測定方法。
本標準適用于林業機械便攜式風力滅火機的噪聲測定,也適用于林業機械便攜式風力噴水滅火機的噪聲測定。
2 規范性引用文件
下列文件對于本文件的應用是必不可少的。凡是注日期的引用文件,僅注日期的版本適用于本文件。凡是不注日期的引用文件,其最新版本(包括所有的修改單)適用于本文件。
GB/T 3785.1 電聲學 聲級計 第1部分:規范
GB/T 14574-2000 聲學 機器和設備噪聲發射值的標示和驗證
GB/T 17248.2 聲學 機器和設備發射的噪聲 工作位置和其他指定位置發射聲壓級的測量一個反射面上方近似自由場的工程法
GB/T 20247 聲學 混響室吸聲測量
ISO 3744:2010 聲學 聲壓法測定噪聲源聲功率級 反射面上方近似自由場的工程法(Acous-tics-Determination of sound power levels and sound energy levels of noise sources using sound pres-sure-Engineering methods for an essentially free field over a reflecting plane)
3 測定的參數
A計權和各頻帶(若需要)時間平均聲壓級,測定要求應符合ISO 3744:2010和GB/T 17248.2的規定。
A計權和各頻帶(若需要)聲功率級及耳旁噪聲。
4 測量儀器及精度
4.1 聲級計
按GB/T 3785.1的規定使用積分平均聲級計進行測量;或者按GB/T 3785.1的規定使用聲級計“慢”檔時間加權特性進行測量。
4.2 傳聲器
傳聲器直徑應不大于13mm。為避免風噪聲干擾,允許安裝防風罩,但對測量結果的影響不應超過±0.5 dB。
4.3 轉速計
轉速計的測量誤差應在讀數的±1%內。
5 聲學環境
5.1 背景噪聲
在測定位置上,背景噪聲A計權聲級至少應比所測量的噪聲值低10 dB。
5.2 環境條件
測試環境應符合如下要求:
a)環境條件應在測量儀器制造廠規定的限度內;
b)環境溫度應在-10℃~40℃之間,風速應低于5m/s;
c)風速超過1m/s時,應使用傳聲器防風罩。
5.3 噪聲測試場地
當場地地表面為天然草坪或類似植物時,測定結果的再現性誤差往往超過2級精度要求,測定場地的地面應符合如下規定,在有爭議時,測定應在室外和人造地表面上進行:
a)人造地表面應位于測試環境的中心,且放置在堅硬并具有聲反射特性的基礎面上,其尺寸應不小于3.6mx3.6m。為滿足聲學特性的要求,支撐結構可在適當的位置采用吸聲材料。測試時應避免吸聲材料被壓縮。按GB/T 20247的規定進行測量,人造地表面的吸聲系數應符合表1的規定。
表1 吸聲系數
頻率Hz | 吸聲系數 | 誤 差 |
125 250 500 1 000 2 000 4 000 | 0.1 0.3 0.5 0.7 0.8 0.9 | ±0.1 ±0.1 ±0.1 ±0.1 ±0.1 ±0.1 |
b) 場地內不得有任何障礙物,場地中心區地面應平坦且具有良好的吸聲性能。地表面覆蓋物可以是類似于森林中地面的覆蓋物、草坪或其他植物,高度為50mm±20mm。地面可以覆蓋雪,但不得有冰層。
6 測量方法
6.1 滅火機
被測的滅火機應是一臺新的、正常生產并按使用說明書中規定裝配標準部件的機器。按說明書要求試運轉機器,調整化油器,預熱發動機,使其滿足試驗要求。
6.2 儀器校準
每次測量前,應使用準確度不低于±0.5dB的聲學校準器對整個測量系統(包括電纜)進行校準。校準前應使測量儀器的溫度達到環境溫度。
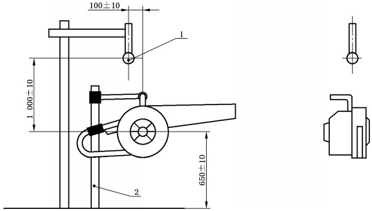
6.3 固定和方位
6.3.1 滅火機在測試支架上的固定
用一測試支架固定滅火機,如圖1所示,支架應保持滅火機方位不變,并且不產生聲反射。推薦采用有一定緩沖能力的支架,以免引起共振和回響現象。

a) 手持式滅火機

b) 背負式滅火機
單位為毫米
說明:
1-傳聲器;
2-測試支架;
3-背帶支架。
圖1 滅火機測試裝置
滅火機固定后,風筒中心線處于水平狀態,且應滿足:
a) 對于手持式滅火機,測定時,風筒頭部指向x軸正方向,滅火機前手把位于半球面中心的正上方,風扇的旋轉中心距地面的高度為650mm±10mm,如圖1a)所示;
b)對于背負式滅火機,測定時,風筒頭部指向x軸正方向,滅火機背負支架位于半球面中心的正上方,滅火機的最低點距地面的距離為1010mm±10mm,如圖1b)所示。
注:x軸見圖2。
以上為標準部分內容,如需看標準全文,請到相關授權網站購買標準正版。
-
IG541混合氣體滅火系統
IG541混合氣體滅火系統:IG-541滅火系統采用的IG-541混合氣體滅火劑是由大氣層中的氮氣(N2)、氬氣(Ar)和二氧化碳(CO2)三種氣體分別以52%、40%、8%的比例混合而成的一種滅火劑 -
二氧化碳氣體滅火系統
二氧化碳氣體滅火系統:二氧化碳氣體滅火系統由瓶架、滅火劑瓶組、泄漏檢測裝置、容器閥、金屬軟管、單向閥(滅火劑管)、集流管、安全泄漏裝置、選擇閥、信號反饋裝置、滅火劑輸送管、噴嘴、驅動氣體瓶組、電磁驅動 -
七氟丙烷滅火系統
七氟丙烷(HFC—227ea)滅火系統是一種高效能的滅火設備,其滅火劑HFC—ea是一種無色、無味、低毒性、絕緣性好、無二次污染的氣體,對大氣臭氧層的耗損潛能值(ODP)為零,是鹵代烷1211、130 -
手提式干粉滅火器
手提式干粉滅火器適滅火時,可手提或肩扛滅火器快速奔赴火場,在距燃燒處5米左右,放下滅火器。如在室外,應選擇在上風方向噴射。使用的干粉滅火器若是外掛式儲壓式的,操作者應一手緊握噴槍、另一手提起儲氣瓶上的


