GB/T 37796-2019 隔熱耐火材料 導熱系數試驗方法(量熱計法)
- 發表時間:2022-12-02
- 來源:共立消防
- 人氣:
1 范圍
本標準規定了隔熱耐火材料導熱系數試驗方法(量熱計法)的原理、設備、試樣制備、試驗步驟、結果計算和試驗報告。
本標準適用于耐火纖維及其制品、隔熱定形制品等隔熱耐火材料導熱系數的測定。
2 規范性引用文件
下列文件對于本文件的應用是必不可少的。凡是注日期的引用文件,僅注日期的版本適用于本文件。凡是不注日期的引用文件,其最新版本(包括所有的修改單)適用于本文件。
GB/T 2998 定形隔熱耐火制品體積密度和真氣孔率試驗方法
GB/T 8170 數值修約規則與極限數值的表示和判定
GB/T 16839.1 熱電偶 第1部分:電動勢規范和允差
GB/T 17911 耐火纖維制品試驗方法
3 原理
根據傅里葉導熱定律,當測試樣品傳熱達到穩態時,單位時間內通過試樣熱面傳遞至冷面后被量熱計吸收的熱量,與試樣垂直于熱量傳播方向的截面面積和溫度梯度成正比。本標準測試時需要較大的溫度梯度和穩態條件。
4 儀器設備
4.1 電熱干燥箱
能控制溫度在110℃±5℃。
4.2 天平
分度值0.1g。
4.3 導熱系數測定儀
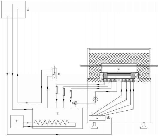
4.3.1 導熱系數測定儀包括加熱室、量熱計、水循環系統、熱電偶及儀表。導熱系數測定儀結構示意圖見圖1。
4.3.2 加熱室:見圖2,在中性或氧化性氣氛中加熱室可按照一定升溫曲線加熱到并能穩定在1550℃±3℃。一塊不小于342mm×228mm×25mm碳化硅均熱板置于試樣上方,碳化硅板342mm×228mm的面應平整。在量熱計下,應設置一層至少25mm厚的隔熱層。

說明:
A-分水器;
B-量熱計:
C-加熱室:
E-下水箱;
F-制冷系統;
G-上水箱。
D-水泵:
圖1 導熱系數測定儀結構示意圖

說明:
A-保護磚;
B-均熱板;
C-測試磚;
D-隔熱層。
圖2 加熱室剖面圖
4.3.3 量熱計:由金屬銅按照圖3加工而成,量熱計進水和出水通道布局應是依次相鄰。量熱計為76mm×76mm的正方形,有一個入水管接頭和一個出水管接頭。圍繞著量熱計有一個342mm×228mm的內防護套,具有兩個入水管接頭和兩個出水管接頭。外層護套從內層護套向側面延伸51mm,垂直延伸至加熱室底部(見圖3)。量熱計與內層護套應間隔0.8mm。
4.3.4 水循環系統:水循環系統供給量熱計的水應恒壓和恒溫。進水靜水壓應不小于29.9kPa,進水水溫應盡可能等于室溫,溫差在-1℃至+3℃之間,溫度變化率不應超過0.5℃/h。通過調節閥穩定量熱計進出水量,試驗期間變化不超過±1%。
4.3.5 測定試樣溫度的熱電偶及儀表:根據測量需要選用合適的K型或S型熱電偶,且滿足GB/T 16839.1的要求;用誤差不大于±0.05mV的電位差計來測定熱電偶的電動勢。
4.3.6 測定量熱計中水溫升高的熱電偶及儀表:應采用一種多對示差熱電偶測量量熱計的水溫升高,其精度不低于流經量熱計水溫升高值的1%。熱電偶至少要插入入口水管和出口水管內89mm,接點離量熱計底部的距離不大于6mm。測量10對銅-康銅示差熱電偶電動勢時的電位計量程為0mV~2mV,儀表誤差不大于±0.01mV。
4.3.7 測定量熱計和內防護套之間溫差的熱電偶及儀表:經校正的10對銅-康銅示差熱電偶放置在量熱計和內防護套內,用于測量量熱計和內防護套之間溫差。試驗期間,此溫差不大于±0.03℃。測量熱電偶電動勢的電位計量程為0mV~2mV,儀表誤差不大于±0.01mV。
以上為標準部分內容,如需看標準全文,請到相關授權網站購買標準正版。
-
IG541混合氣體滅火系統
IG541混合氣體滅火系統:IG-541滅火系統采用的IG-541混合氣體滅火劑是由大氣層中的氮氣(N2)、氬氣(Ar)和二氧化碳(CO2)三種氣體分別以52%、40%、8%的比例混合而成的一種滅火劑 -
二氧化碳氣體滅火系統
二氧化碳氣體滅火系統:二氧化碳氣體滅火系統由瓶架、滅火劑瓶組、泄漏檢測裝置、容器閥、金屬軟管、單向閥(滅火劑管)、集流管、安全泄漏裝置、選擇閥、信號反饋裝置、滅火劑輸送管、噴嘴、驅動氣體瓶組、電磁驅動 -
七氟丙烷滅火系統
七氟丙烷(HFC—227ea)滅火系統是一種高效能的滅火設備,其滅火劑HFC—ea是一種無色、無味、低毒性、絕緣性好、無二次污染的氣體,對大氣臭氧層的耗損潛能值(ODP)為零,是鹵代烷1211、130 -
手提式干粉滅火器
手提式干粉滅火器適滅火時,可手提或肩扛滅火器快速奔赴火場,在距燃燒處5米左右,放下滅火器。如在室外,應選擇在上風方向噴射。使用的干粉滅火器若是外掛式儲壓式的,操作者應一手緊握噴槍、另一手提起儲氣瓶上的


